
泰兴市草莓黄色视频在线观看泵业有限公司
地 址:江苏省泰兴市虹桥工业园区
联系人:严经理
手 机:15052876777
电 话:0523-87988777
传 真:0523-87484503
邮 编:225453
E-mail:853248717@qq.com
网 址:www.hkzx88.com
FSB型系列四氟泵产品概述:
FSB型系列四氟泵可在-80—150度温度的条件下,长期输送任意浓度的各种酸、碱、盐、强氧化剂等多种腐蚀性介质,其壳体及过流部分全部用F46氟合金制成,它集多种氟塑料之优点,具有特强的耐腐蚀性,并具有机械强度高,不老化,无毒素分解优点。该产品机械强度高,设计合理,结构紧凑,性能可靠,使用维修方便,流道光滑效率高,节约能源,荣获"国家科学技术奖"。
FSB型系列四氟泵产品用途
本产品系列共计20多个规格,流量、扬程范围广。适用于石油、化工、制药、农药、酸洗、染料、油漆、冶炼、造纸、电镀、食品等行业输送液体,杜绝跑、冒、滴、漏,是建设现代文明工厂的理想设备。
FSB型系列四氟泵的轴封
该泵采用目前外装式四氟波纹管机械密封,拥有多层保护,延长了机封使用寿命,对于输送含杂质颗粒介质时,可配用无冷却水单端面硬对硬(碳化硅对碳化硅)机械密封,所以用户选型时需考虑到介质中的固体含量。
FSB型系列四氟泵设计特点
FSB和FSB-D型氟塑料合金草莓视频网页版,过流部件全部采用氟塑料合金制造,结构紧凑.操作简单、价格低廉。两种型号的泵壳、叶轮、机封等均可互换使用, 因此深受广大用户的欢迎。
FSB型系列四氟泵结构与材料
FSB型系列四氟泵型号及意义
FSB型系列四氟泵性能与参数表
型号 | 流量 | 扬 程(m) | 口 径 (mm) | 功 率 (Kw) | 转 速 | 汽蚀余量 | 效 率 | ||
进口 | 出口 | 轴功率 | 电机功率 | ||||||
FSB长支架 | |||||||||
25FSB-10 | 3.6 | 10 | 25 | 25 | 0.69 | 1.5 | 2900 | 3.0 | 35 |
25FSB-20 | 3.6 | 20 | 25 | 25 | 0.97 | 1.5 | 2900 | 3.0 | 35 |
25FSB-25 | 3.6 | 25 | 25 | 25 | 1.25 | 1.5 | 2900 | 3.0 | 35 |
40FSB-15 | 5 | 15 | 40 | 32 | 0.51 | 3.0 | 2900 | 3.0 | 40 |
40FSB-20 | 10 | 20 | 40 | 32 | 1.16 | 3.0 | 2900 | 3.0 | 42 |
40FSB-30 | 10 | 30 | 40 | 32 | 1.18 | 3.0 | 2900 | 3.0 | 52 |
40FSB-40 | 6.3 | 40 | 40 | 25 | 3.1 | 4.0 | 2900 | 3.0 | 40 |
40FSB-50 | 6.3 | 50 | 40 | 25 | 3.55 | 4.0 | 2900 | 3.0 | 52 |
40FSB-80 | 6.3 | 80 | 40 | 25 | 7.11 | 7.5 | 2900 | 3.0 | 52 |
50FSB-20 | 12.5 | 20 | 50 | 32 | 1.49 | 3.0 | 2900 | 3.5 | 55 |
50FSB-25 | 12.5 | 25 | 50 | 32 | 1.86 | 3.0 | 2900 | 3.5 | 55 |
50FSB-30 | 15 | 30 | 50 | 32 | 1.90 | 3.0 | 2900 | 3.5 | 54 |
50FSB-40 | 12.5 | 40 | 50 | 32 | 4.3 | 7.5 | 2900 | 3.0 | 39 |
50FSB-50 | 12.5 | 50 | 50 | 32 | 5.8 | 7.5 | 2900 | 3.0 | 39 |
65FSB-32 | 25 | 32 | 65 | 50 | 4.8 | 5.5 | 2900 | 2.0 | 45 |
65FSB-40 | 25 | 40 | 65 | 40 | 7.2 | 11 | 2900 | 3.0 | 52 |
65FSB-50 | 25 | 50 | 65 | 40 | 8.6 | 11 | 2900 | 3.5 | 52 |
65FSB-80 | 25 | 80 | 65 | 40 | 14.1 | 18.5 | 2900 | 4.5 | 50 |
80FSB-20 | 50 | 20 | 80 | 65 | 4.7 | 5.5 | 2900 | 3.0 | 45 |
80FSB-25 | 50 | 25 | 80 | 65 | 5.7 | 7.5 | 2900 | 3.0 | 50 |
80FSB-30 | 50 | 30 | 80 | 65 | 6.9 | 7.5 | 2900 | 3.5 | 59 |
80FSB-40 | 50 | 40 | 80 | 50 | 10.2 | 11.0 | 2900 | 3.5 | 48 |
80FSB-50 | 50 | 50 | 80 | 50 | 11.9 | 15.0 | 2900 | 3.5 | 57 |
80FSB-55 | 50 | 55 | 80 | 50 | 13.5 | 18.5 | 2900 | 4.0 | 50 |
80FSB-80 | 50 | 80 | 80 | 50 | 24.6 | 30 | 2900 | 4.0 | 66 |
100FSB-20 | 100 | 20 | 100 | 80 | 8.6 | 11.0 | 2900 | 3.5 | 68 |
100FSB-32 | 100 | 32 | 100 | 80 | 11.9 | 15.0 | 2900 | 3.5 | 68 |
100FSB-40 | 100 | 40 | 100 | 65 | 21.3 | 30.0 | 2900 | 4.5 | 73 |
100FSB-50 | 100 | 50 | 100 | 65 | 23.9 | 30.0 | 2900 | 4.5 | 73 |
125FSB-32 | 160 | 32 | 125 | 80 | 24.15 | 30.0 | 2900 | 5.0 | 70 |
125FSB-50 | 200 | 50 | 125 | 100 | 39.2 | 55.0 | 2900 | 5.0 | 65 |
150FSB-32 | 150 | 32 | 200 | 125 | 35.3 | 45.0 | 1450 | 5.0 | 60 |
FSB(短支加架) | |||||||||
40FSB-15(D) | 5 | 15 | 40 | 32 | 0.51 | 3.0 | 2900 | 3.0 | 40 |
40FSB-20(D) | 10 | 20 | 40 | 32 | 1.16 | 3.0 | 2900 | 3.0 | 42 |
40FSB-30(D) | 10 | 30 | 40 | 32 | 1.18 | 3.0 | 2900 | 3.0 | 52 |
50FSB-20(D) | 12.5 | 20 | 50 | 32 | 1.49 | 3.0 | 2900 | 3.5 | 55 |
50FSB-25(D) | 12.5 | 25 | 50 | 32 | 1.86 | 3.0 | 2900 | 3.5 | 55 |
50FSB-30(D) | 15 | 30 | 50 | 32 | 1.90 | 3.0 | 2900 | 3.5 | 54 |
65FSB-32(D) | 25 | 32 | 65 | 50 | 3.61 | 5.5 | 2900 | 3.5 | 65 |
80FSB-25(D) | 42 | 25 | 80 | 65 | 3.8 | 7.5 | 2900 | 3.5 | 67 |
80FSB-30(D) | 50 | 30 | 80 | 65 | 6.82 | 7.5 | 2900 | 3.5 | 68 |
注: 如所需参数不在此表范围,我厂可根据用户要求予以调整,表中部分大型泵壳体为衬氟型 | |||||||||
FSB型系列四氟泵技术参数
流量:3.6~100m3/h;
扬程:15~55m;
转速:2900r/min;
功率:1.5~18.5KW;
进口直径:25~100mm;
适用温度:-20℃~120℃。
机械密封
FSB和FSB-D氟塑料合金草莓视频网页版采用目前的外装式四氟波纹管机械密封,其特点是能补偿泵轴的径向跳动,单端面密封外装式、易装卸、工作状态直观、耐腐耐磨密封性能好、拥有多层保护,延长了机封使用寿命;对于输送含杂质颗粒腐蚀性介质时,可配用无冷却水单端面硬对硬(碳化硅对碳化硅)机械密封,强碱与氢氟酸等特殊腐蚀性介质配用无压烧结碳化硅密封;用户选型时需考虑到介质中的固体含量及介质特殊腐蚀性.
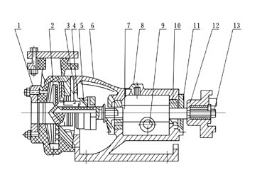
FSB型系列四氟泵结构图
| 序号 | 名称 | 序号 | 名称 |
1 | 泵体 | 8 | 油盖 | |
2 | 叶轮 | 9 | 油镜 | |
3 | 后盖 | 10 | 轴承 | |
4 | 压盖 | 11 | 轴承压盖 | |
5 | 密封件 | 12 | 联轴器 | |
6 | 支架 | 13 | 吊紧螺栓 | |
7 | 泵轴 |
FSB型系列四氟泵性能曲线图
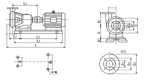
FSB型系列四氟泵安装尺寸图
规格型号 | L | L1 | L2 | L3 | L4 | D | D1 | D2 | D3 | D4 | D5 | B | B1 | d | h | h1 | h2 | n-m |
25FSB-10 | 940 | 730 | 455 | 130 | 380 | 100 | 75 | 25 | 110 | 90 | 20 | 250 | 310 | 65 | 112 | 130 | 78 | 4-ф18 |
25FSB-18 | 940 | 730 | 455 | 130 | 380 | 100 | 75 | 25 | 110 | 90 | 20 | 250 | 310 | 65 | 112 | 130 | 78 | 4-ф18 |
40FSB-15 | 940 | 730 | 455 | 130 | 400 | 130 | 100 | 40 | 130 | 100 | 32 | 250 | 310 | 80 | 112 | 130 | 78 | 4-ф18 |
40FSB-20 | 940 | 730 | 455 | 130 | 400 | 130 | 100 | 40 | 130 | 100 | 32 | 250 | 310 | 80 | 112 | 130 | 78 | 4-ф18 |
40FSB-30 | 940 | 730 | 455 | 130 | 400 | 130 | 100 | 40 | 130 | 100 | 32 | 250 | 310 | 80 | 112 | 130 | 78 | 4-ф18 |
40FSB-40 | 940 | 730 | 455 | 130 | 400 | 130 | 100 | 40 | 130 | 100 | 32 | 250 | 310 | 80 | 112 | 130 | 78 | 4-ф18 |
50FSB-20 | 940 | 730 | 455 | 130 | 400 | 130 | 100 | 50 | 130 | 100 | 32 | 250 | 310 | 80 | 112 | 130 | 78 | 4-ф18 |
50FSB-25 | 940 | 730 | 455 | 130 | 400 | 130 | 100 | 50 | 130 | 100 | 40 | 250 | 310 | 80 | 112 | 130 | 78 | 4-ф18 |
50FSB-30 | 940 | 730 | 455 | 130 | 400 | 130 | 100 | 50 | 130 | 100 | 40 | 250 | 310 | 80 | 112 | 130 | 78 | 4-ф18 |
50FSB-40 | 1045 | 830 | 560 | 130 | 400 | 130 | 100 | 50 | 130 | 100 | 40 | 250 | 375 | 80 | 112 | 130 | 78 | 4-ф18 |
50FSB-50 | 1045 | 830 | 560 | 130 | 400 | 130 | 100 | 50 | 130 | 100 | 40 | 250 | 375 | 80 | 112 | 130 | 78 | 4-ф18 |
65FSB-32 | 1045 | 830 | 560 | 240 | 410 | 185 | 135 | 65 | 160 | 135 | 50 | 250 | 375 | 95 | 132 | 150 | 65 | 4-ф18 |
65FSB-40 | 1045 | 830 | 560 | 240 | 410 | 185 | 135 | 65 | 160 | 135 | 50 | 250 | 375 | 100 | 132 | 185 | 65 | 4-ф18 |
65FSB-50 | 1045 | 830 | 560 | 240 | 410 | 185 | 150 | 65 | 160 | 135 | 50 | 250 | 375 | 100 | 132 | 185 | 65 | 4-ф18 |
80FSB-20 | 1045 | 830 | 560 | 240 | 410 | 185 | 150 | 80 | 160 | 135 | 65 | 250 | 375 | 95 | 132 | 150 | 65 | 4-ф18 |
80FSB-30 | 1045 | 830 | 560 | 240 | 410 | 185 | 150 | 80 | 160 | 135 | 65 | 250 | 375 | 95 | 132 | 150 | 65 | 4-ф18 |
80FSB-34 | 1045 | 830 | 560 | 240 | 410 | 185 | 150 | 80 | 160 | 135 | 65 | 250 | 375 | 95 | 132 | 150 | 65 | 4-ф18 |
80FSB-40 | 1045 | 830 | 560 | 240 | 410 | 185 | 150 | 80 | 160 | 135 | 65 | 250 | 375 | 100 | 132 | 185 | 65 | 4-ф18 |
80FSB-50 | 1045 | 830 | 560 | 240 | 410 | 185 | 150 | 80 | 160 | 135 | 50 | 250 | 375 | 100 | 132 | 185 | 65 | 4-ф18 |
80FSB-55 | 1310 | 970 | 610 | 245 | 500 | 185 | 150 | 80 | 160 | 135 | 65 | 330 | 430 | 110 | 160 | 205 | 100 | 4-ф18 |
80FSB-80 | 1310 | 970 | 640 | 245 | 500 | 185 | 150 | 80 | 160 | 135 | 65 | 330 | 430 | 135 | 160 | 205 | 100 | 4-ф18 |
100FSB-32 | 1330 | 970 | 640 | 245 | 500 | 185 | 150 | 100 | 160 | 135 | 65 | 330 | 430 | 110 | 160 | 205 | 120 | 4-ф18 |
100FSB-50 | 1360 | 970 | 640 | 245 | 500 | 185 | 150 | 100 | 160 | 135 | 65 | 300 | 430 | 110 | 160 | 205 | 160 | 4-ф18 |
FSB型系列四氟泵拆卸与安装
规格型号 | L | L1 | L2 | L3 | D | D1 | D2 | D3 | D4 | D5 | B | B1 | d | d1 | h | h1 | 地脚螺栓 |
25FSB-10D | 470 | 220 | 185 | 125 | 100 | 75 | 25 | 110 | 90 | 20 | 180 | 140 | 65 | 155 | 210 | 90 | 4-ф10 |
25FSB-18D | 470 | 220 | 185 | 125 | 100 | 75 | 25 | 110 | 90 | 20 | 180 | 140 | 65 | 155 | 210 | 90 | 4-ф10 |
40FSB-15D | 540 | 245 | 200 | 125 | 130 | 100 | 40 | 130 | 100 | 32 | 205 | 160 | 80 | 180 | 240 | 100 | 4-ф12 |
40FSB-20D | 540 | 245 | 200 | 140 | 130 | 100 | 40 | 130 | 100 | 32 | 205 | 160 | 80 | 180 | 240 | 100 | 4-ф12 |
40FSB-30D | 540 | 245 | 200 | 140 | 130 | 100 | 40 | 130 | 100 | 32 | 205 | 160 | 80 | 180 | 240 | 100 | 4-ф12 |
50FSB-20D | 540 | 245 | 200 | 140 | 130 | 100 | 50 | 130 | 100 | 40 | 205 | 160 | 80 | 180 | 240 | 100 | 4-ф12 |
50FSB-25D | 540 | 245 | 200 | 140 | 130 | 100 | 50 | 130 | 100 | 40 | 205 | 160 | 80 | 180 | 240 | 100 | 4-ф12 |
50FSB-30D | 540 | 245 | 200 | 140 | 130 | 100 | 50 | 130 | 100 | 40 | 240 | 190 | 80 | 180 | 240 | 100 | 4-ф12 |
65FSB-32D | 720 | 345 | 276 | 140 | 185 | 150 | 65 | 185 | 135 | 50 | 280 | 216 | 95 | 210 | 282 | 100 | 4-ф12 |
80FSB-20D | 720 | 345 | 276 | 140 | 185 | 150 | 80 | 185 | 135 | 65 | 280 | 216 | 95 | 210 | 282 | 132 | 4-ф12 |
80FSB-30D | 720 | 345 | 276 | 140 | 185 | 150 | 80 | 185 | 135 | 65 | 280 | 216 | 95 | 210 | 282 | 132 | 4-ф12 |
泵的拆卸
1.泵与电机联接用爪型联轴器连接,拆卸时先松掉支架与底座的4只连接螺栓.使泵与电机脱开。
2.松开泵体后盖的连接螺栓.用木柄轻击泵体脱开。
3.松开叶轮轴与泵轴莫氏锥度连接在连轴器中的吊紧螺栓。
4.松开机械密封动!不固定螺钉,用木锤轻击连轴器中心吊紧螺栓,叶轮轴与泵轴莫氏锥度松开后拉出叶轮、后盖、密封件动环.松开后盖上压盖螺钉.取出靜坏。
5.松开泵轴左右压盖螺钉.取出泵轴、轴承、清洗支架油室。
装配
按拆卸的相反顺序将密封件动环、靜环、后盖、压盖、叶轮、泵体等装上紧定螺栓。
FSB型系列四氟泵安装及注意事项
1.在安装前应对泵和电机进行检査,各部分应完好无损,泵内无杂物。
2.将本泵放置水平位置上接上进、出管和接通电源.zui后用手盘动联轴器.检査有无碰擦现象.转动轻松均勻则安装结束。
3.塑料合金草莓视频网页版钢度较金属差,故管路重量不能直接压在泵体上,迸、出口管路应另加支架承受.扬程高的泵在出口还应安装逆止阀.以防突然停机的水锤破坏。
4.所有接合处必须保持密封.以防漏气、液影响泵的工作性能。
5.运转过程中如发现撅动或不正常声音时.应立即停车检査原因.故降排除后才能工作。
起动与停车
1.往水泵内注足液体(引液)。
2.桧査支架油室的油位是否在规定范围内。
3.检査电动机运转方向.调看泵的旋转标记。
4.关闭出口阀门及压力表旋塞。
5.启动电机.打开压力表旋塞.慢慢打开出口阀门,当压
6.重要停车时,首先关闭出水阀,再切断电源。
力表指针指到需要的位置时.停止出水阀门大小的调整。
FSB型系列四氟泵故障原因与排除方法
故 障 | 原 因 | 解决方法 |
打不出液体 | 1、吸入管内有空气.迸口阻塞 2、吸上高度太高 3、要求扬程大于泵扬程 4、排出管过细.管路损失过大 5、反转 | 1 、清理管路,排净空气 2 、降低泵安装高度 3、更換扬程大的泵 4 、換口径与泵口等大的输出管 5、改变方向 |
流量不足 | 1 、叶轮损坏 2 、 密封件损坏 3、数不足 4、进口管过细 5、出口管弯头过多,阻力过大 | 1 、更換新叶轮 2 、換密封件 3、增加转数 4 、按规定重裝管道 5 、重新合理安排管路 |
扬程不足 | 1、输送介质中含有气体或介质粘度过大 2、叶轮和叶片损坏 3、转数不足 | 1、降低介质粘度或增加注灌压力 2、更换叶轮 3 、增加转数 |
轴端渗漏 | 1、机械密封卡环过松 2、轴端卡环过渡尺寸间隙太大 | 1、旋紧卡坏两只内六角螺钌 2、将泵拆卸,轴、卡挡绕F4生料带薄膜数圈.紧配合.螺栓旋紧 |
密封泄漏严重 | 1、密封元件材料选用不当 2、磨瘵付严重磨损 3、动靜环吻不勻 4 、磨擦付过大静环碎裂 | 1、向供泵串位述明介质情况,配适当动靜环 2、更換磨损另件.并调整弹簧压力,减少磨损 3、密封组合体松卡环镙栓重新调正位置 4、整泵拆卸.换静环按要求装密封组合件与轴垂直度误差<0.10 |
泵内有杂音或泵振动 | 1、泵轴与电机轴不同心 2 、流量超过使用范围产生气蚀 3、泵产生气蚀 4 、电动机与轴承磨损 | 1 、校正泵轴中心 2、选用适当的泵型.按泵使用范围运转 3、降低介质的温度或增加灌注压力 4、清洗或更換轴承 |